인정현황
1. KOLAS 공인시험기관
2022년 1월 KOLAS 한국인정기구로부터 기술적 능력과 품질경영시스템의 적절함을 인정받아 공인시험기관으로 인정을 획득하였습니다. 인정분야는 화학시험 (방사선, 방사능, 중성자) 분야의 9개 항목입니다.

2. 방사성동위원소사용허가
2019년 6월 국내 민간기업 최초로 원자력안전위원회로부터 원전발생 중저준위 방사성폐기물 방사능 분석 목적의 방사성 동위원사용허가를 획득하였습니다.



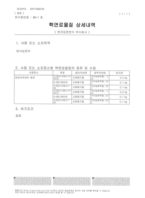
3. 핵연료물질사용등허가
2021년 5월 원자력안전위원회로부터 방사능분석목적의 핵연료물질사용등허가를 획득하였습니다.

4. 기업부설연구소 인정서

5. 엔지니어링사업자 신고증

6. 업무대행자 등록
25년 9월 원자력안전위원회로부터 방사성물질 취급 및 방사선 안전관리 업무 등에 대한 업무대행자 등록을 완료하였습니다.


